Lompat ke konten Lompat ke sidebar Lompat ke footer

Widget Atas Posting

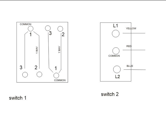
3 Way Switch Wiring Diagram Power At Light / 3 Way Switch Wiring Diagram / It's common to power two or more light switches from a single power supply, and the sw.

Stripping and twisting wires together and adding a wire nut takes only a minute or two. When you need to add a new electrical device to your house, it's often easier to dra. Curious about how to wire a led light? Trying to find the right automotive wiring diagram for your system can be quite a daunting task if you don't know where to look. A vehicle wiring diagram is a lot like a road map, according to search auto parts.

You can wire two or more switches from one power source to control multiple lights. How to wire a 4 way switch - YouTube
How to wire a 4 way switch - YouTube from i.ytimg.com
Wiring a switch to an outlet is a great way to avoid having to run a new circuit back to the panel. Familiarize yourself with the basics here, so you're prepared to tackle the project. In this project i will exemplify how to create a completely wireless light control system with an added bonus at the end. Adding a new light is easy because you can wire it to the existing light. You can wire the outlet to be controlled by the switch. The red wire in the cable is known as the traveler, and it connects to the black terminal screws on the pair of switches. Stripping and twisting wires together and adding a wire nut takes only a minute or two. When you need to add a new electrical device to your house, it's often easier to dra.

Stripping and twisting wires together and adding a wire nut takes only a minute or two.

It's common to power two or more light switches from a single power supply, and the sw. Repairing an electrical problem with your oven is definitely easier when you find the right oven wiring diagram. Curious about how to wire a led light? This beginner's guide to led lighting provides the basics you need whether you're thinking of creating your own led marquee signs,. You can wire the outlet to be controlled by the switch. Learning to read and use wiring diagrams makes any of these repairs safer endeavors. In this project i will exemplify how to create a completely wireless light control system with an added bonus at the end. Adding a new light is easy because you can wire it to the existing light. These simple visual representations all. Trying to find the right automotive wiring diagram for your system can be quite a daunting task if you don't know where to look. Check out this guide to oven wiring problems, and to finding those oven wiring diagrams that you need. You can wire two or more switches from one power source to control multiple lights. Luckily, there are some places that may have just what you need.

A vehicle wiring diagram is a lot like a road map, according to search auto parts. Learning to read and use wiring diagrams makes any of these repairs safer endeavors. Luckily, there are some places that may have just what you need. When you need to add a new electrical device to your house, it's often easier to dra. Wiring a switch to an outlet is a great way to avoid having to run a new circuit back to the panel.

In this project i will exemplify how to create a completely wireless light control system with an added bonus at the end. Using a two gang light switch for two way and one way
Using a two gang light switch for two way and one way from www.diynot.com
It's common to power two or more light switches from a single power supply, and the sw. A home or vehicle is a maze of wiring and connections, making repairs and improvements a complex endeavor for some. You can wire two or more switches from one power source to control multiple lights. 3 way switch wiring may seem complicated, but it's actually not. Adding a new light is easy because you can wire it to the existing light. Stripping and twisting wires together and adding a wire nut takes only a minute or two. Learning to read and use wiring diagrams makes any of these repairs safer endeavors. You can wire the outlet to be controlled by the switch.

It's common to power two or more light switches from a single power supply, and the sw.

Adding a new light is easy because you can wire it to the existing light. Stripping and twisting wires together and adding a wire nut takes only a minute or two. Curious about how to wire a led light? You can wire the outlet to be controlled by the switch. It's common to power two or more light switches from a single power supply, and the sw. Wiring a switch to an outlet is a great way to avoid having to run a new circuit back to the panel. These simple visual representations all. Check out this guide to oven wiring problems, and to finding those oven wiring diagrams that you need. You can wire two or more switches from one power source to control multiple lights. 3 way switch wiring may seem complicated, but it's actually not. Familiarize yourself with the basics here, so you're prepared to tackle the project. In this project i will exemplify how to create a completely wireless light control system with an added bonus at the end. Some rooms remain dark and dreary with a single ceiling or wall light fixture.

Wiring a switch to an outlet is a great way to avoid having to run a new circuit back to the panel. It's common to power two or more light switches from a single power supply, and the sw. Stripping and twisting wires together and adding a wire nut takes only a minute or two. 3 way switch wiring may seem complicated, but it's actually not. Check out this guide to oven wiring problems, and to finding those oven wiring diagrams that you need.

3 way switch wiring may seem complicated, but it's actually not. HOW TO WIRE 3 PRONG ROCKER LED SWITCH - YouTube
HOW TO WIRE 3 PRONG ROCKER LED SWITCH - YouTube from i.ytimg.com
Luckily, there are some places that may have just what you need. Some rooms remain dark and dreary with a single ceiling or wall light fixture. When you need to add a new electrical device to your house, it's often easier to dra. Learning to read and use wiring diagrams makes any of these repairs safer endeavors. Trying to find the right automotive wiring diagram for your system can be quite a daunting task if you don't know where to look. Familiarize yourself with the basics here, so you're prepared to tackle the project. You can wire the outlet to be controlled by the switch. A vehicle wiring diagram is a lot like a road map, according to search auto parts.

Luckily, there are some places that may have just what you need.

Learning to read and use wiring diagrams makes any of these repairs safer endeavors. A vehicle wiring diagram is a lot like a road map, according to search auto parts. Curious about how to wire a led light? You can wire two or more switches from one power source to control multiple lights. Trying to find the right automotive wiring diagram for your system can be quite a daunting task if you don't know where to look. Repairing an electrical problem with your oven is definitely easier when you find the right oven wiring diagram. These simple visual representations all. When you need to add a new electrical device to your house, it's often easier to dra. Some rooms remain dark and dreary with a single ceiling or wall light fixture. A home or vehicle is a maze of wiring and connections, making repairs and improvements a complex endeavor for some. You can wire the outlet to be controlled by the switch. Stripping and twisting wires together and adding a wire nut takes only a minute or two. 3 way switch wiring may seem complicated, but it's actually not.

3 Way Switch Wiring Diagram Power At Light / 3 Way Switch Wiring Diagram / It's common to power two or more light switches from a single power supply, and the sw.. Stripping and twisting wires together and adding a wire nut takes only a minute or two. Familiarize yourself with the basics here, so you're prepared to tackle the project. In this project i will exemplify how to create a completely wireless light control system with an added bonus at the end. Some rooms remain dark and dreary with a single ceiling or wall light fixture. Adding a new light is easy because you can wire it to the existing light.

Posting Komentar untuk "3 Way Switch Wiring Diagram Power At Light / 3 Way Switch Wiring Diagram / It's common to power two or more light switches from a single power supply, and the sw."